Drehgelenke der CH-Serie
Merkmale von Drehgelenken
1.Konstruktion der Gleitringdichtung
2.Ausführung mit eingelegtem Lagerdeckel
3.Flexible Schläuche entfallen
4.Flugzeugabdichtung(Wolframcarbid)Technologie
5. Keine Wartung erforderlich
PARAMETER
| Höchstgeschwindigkeit | 120U/min | Maximale Temperatur | 120°C |
| Maximaler Druck | 1.1MPa | Medien | Wasser |
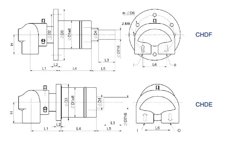
GRÖSSENTABELLE

MODELLTABELLE

Die Installation
